Placa de control universal para motor de persiana Rolly.
Placa de control universal para maniobras de cualquier tipo de motor enrollable tubular, ya sea de persiana doméstica o persiana metálica comercial.
Dispone de receptor de radio incorporado frecuencia 433,92mhz para memorizar hasta 46 mandos rolling code o código fijo.
Cierre automático por tiempo, función hombre presente, funcionamiento a 1 o 2 botones separados para las maniobras de subida / bajada.
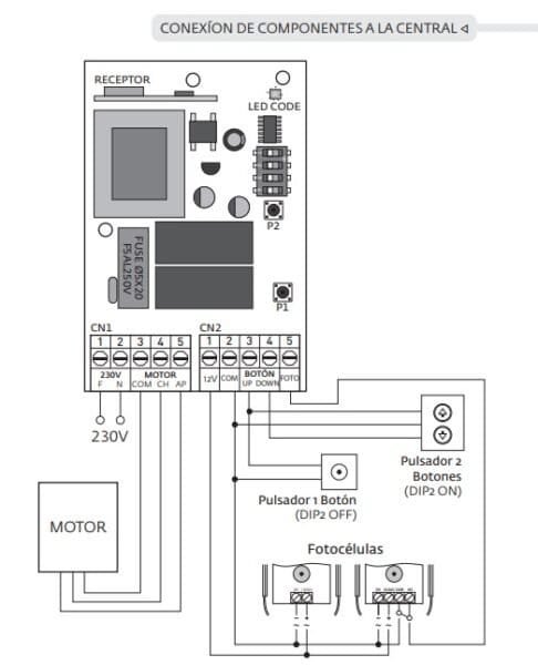
Dispone de conexión para botonera externa de subida bajada, salida para fotocélula de seguridad, salida auxiliar de alimentación para accesorios 12v.
Central para TUB / Rolling, para 1 motor, contacto separado de subida y bajada, entrada para fotocélulas de seguridad.
Capacidad de conmutación hasta 1200W de potencia, válido para motores de centro eje de 1 o 2 bobinas, 620w / 1200w.
Mandos a distancia opcionales:
Recomendado para todo tipo de motores Rolling.
- Alimentación: 230 VCA monofasica 50/60 Hz, 1300w.
- Alimentacion fotocelula: 12 Vca 1W Max (1 pareja fotocelulas)
- Tiempo trabajo: 20 a 40 sec.
- Tiempo pausa: 30 a 90 sec.
- Temperatura de uso: -20 +55 °C
- Mandos que puede memorizar: 46
- Receptor integrado 433 Mhz

DESCARGA DE MANUALES:
MANUAL PLACA CONTROL MOTORES ENROLLABLES ROLLY
Placa de Control Universal para Motor de Persiana Rolly de VDS
La Placa de Control Universal Rolly de VDS es una solución avanzada para la automatización de cierres y persianas enrollables. Diseñada para integrarse con una amplia gama de motores, ofrece un control eficiente y seguro en diversas aplicaciones.
Características Técnicas Destacadas
Alimentación y Potencia
Funciona con una alimentación monofásica de 230 VCA a 50/60 Hz y soporta una capacidad de conmutación de hasta 1300 W, lo que la hace apta para motores de diferentes tamaños y potencias.
Compatibilidad con Fotocélulas
Dispone de una salida de 12 VCA con una potencia máxima de 1 W, permitiendo la conexión de una pareja de fotocélulas para mejorar la seguridad al detectar obstáculos durante el funcionamiento de la persiana.
Configuración de Tiempos
Permite ajustar el tiempo de trabajo entre 20 y 40 segundos, y el tiempo de pausa entre 30 y 90 segundos, ofreciendo flexibilidad para adaptarse a las necesidades específicas de cada instalación.
Resistencia Climática
Opera eficientemente en un rango de temperatura de -20 °C a +55 °C, garantizando un rendimiento confiable incluso en condiciones ambientales adversas.
Capacidad de Memoria y Receptor Integrado
Puede memorizar hasta 46 mandos y cuenta con un receptor integrado de 433 MHz, facilitando la gestión y el control remoto del sistema.
Aplicaciones y Beneficios
La Placa Rolly es ideal para automatizar persianas en entornos residenciales y comerciales, mejorando la comodidad y seguridad. Su diseño robusto y versátil asegura una larga vida útil y una integración sencilla en diversas configuraciones.
En resumen, la Placa de Control Universal para Motor de Persiana Rolly de VDS es una opción confiable y eficiente para quienes buscan automatizar sus sistemas de cierre con tecnología de vanguardia.

















Valoraciones
Aún no hay reseñas